Product number:
3346
Stainless Steel Nozzle Heaters
- Mouldpro
From €37.14Available in stock
Files
Images
3D Viewer
Specification
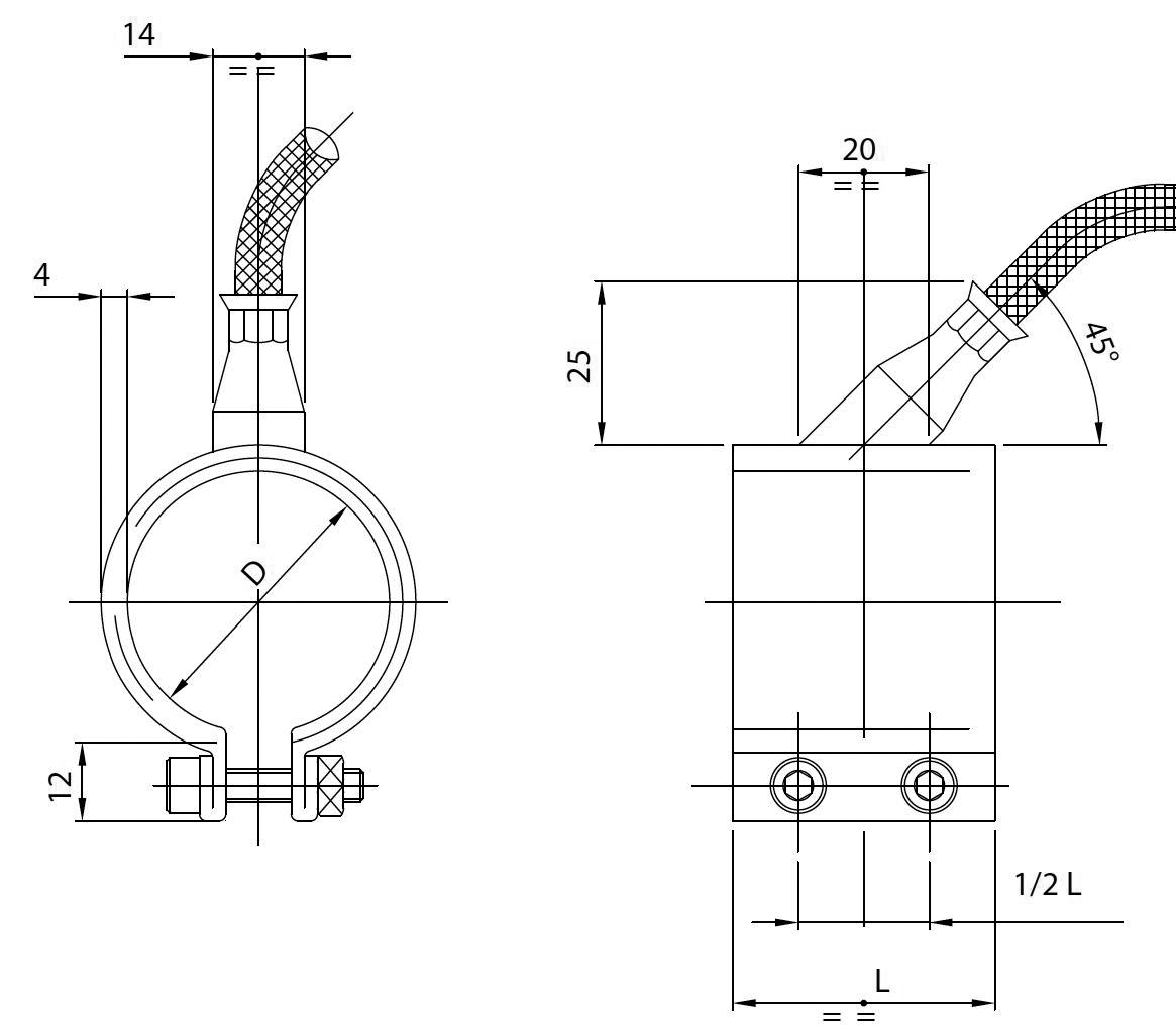
Mouldpro high quality stainless steel nozzle heater band with mineral insulated (mica) construction for long life. The smooth bore and flange clamp allow the heater band to be clamped tightly to the nozzle and eliminate hot spots and reduce premature failure.
45 Degree hermetically sealed lead exit make this design particularly durable on injection moulding machine nozzles and avoid damage to the lead exits due to plastic leaks.
- Standard supply voltage 230V
- High Watt density up to 6 W/cm2
- Max operating temperature 320°C
- 1m stainless steel braided leads
- Integrated earth lead as standard
Custom designs including integrated thermocouple available on request

