Product number:
1544
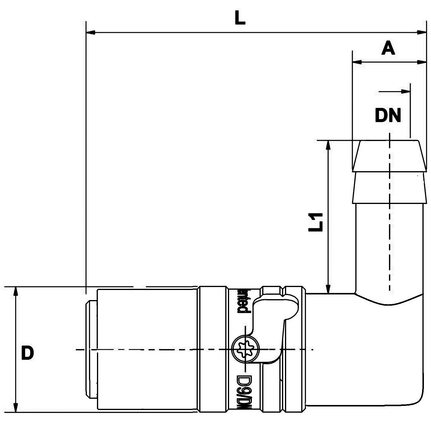
SAFETY COUPLING, TYPE TS, 90°
- Mouldpro
From €31.25Available in stock
Files
| Name | Download | File type |
|---|---|---|
| Datasheet-COUPLERS-European-Series.pdf | 406 KB |
Images
3D Viewer
Specification
The patented Mouldpro temperature regulation quick connect coupling system features an automatic safety locking mechanism that offers an effective solution for unintentional disconnection and unlocking.
Working Temperature
Thus, the coupling is especially suited for the use with aggressive media, such as temperature regulation applications with hot or cold water as well as tempered oil between - 20°C and + 200°C°*
High quality FKM-O-rings makes the coupling an ideal media carrier especially for high temperature.
* water up to 160°C oil up to 200°C

